欢迎来到无锡众远轴承有限公司网站~
刘金飞     +86 18363533331    江苏省无锡市梁溪区解放西路 6 号 7 层 A10 室

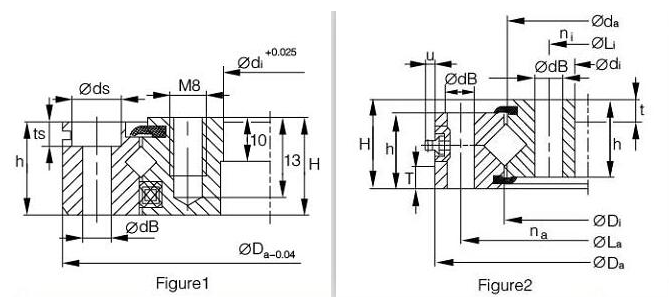
交叉滚子轴承

XU 系列机器人专用交叉滚子轴承

编辑:无锡众远轴承有限公司

XU 系列机器人专用交叉滚子轴承为无齿结构,内圈和外圈均设有安装孔,安装孔可选用沉头孔或螺纹孔。外圈外径上可配置润滑嘴,轴承两侧均装配橡胶密封圈。该系列轴承的内径范围为 Φ40~Φ976mm。