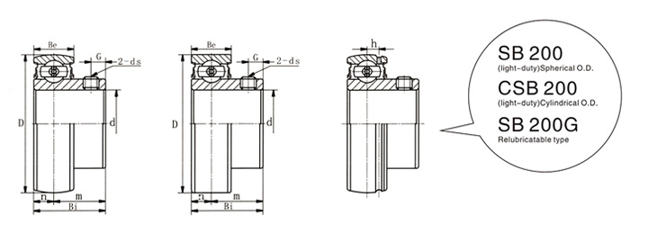
带顶丝外球面轴承

我司生产的带顶丝外球面球轴承包含 UC200 系列(轻型系列)、UC300 系列(重型系列) 及其变型产品 SB(UB)200 系列。
该类型外球面轴承设有两个顶丝,二者呈 120° 夹角。其特点为与轴配合时,通过顶丝顶紧轴体实现固定效果。该轴承要求运行环境的振动幅度较小,适用于轴体刚性差异大、易发生挠曲变形的通轴工况。轴承两侧均配备密封圈,可严密防止杂质侵入;出厂时已填充适量润滑剂,安装前无需清洗和额外加注润滑剂。
UC200 系列轴承是应用范围最广的外球面轴承类型,可与各类轴承座搭配,适配于多种机械设备。UC300 系列轴承与同孔径规格的 UC200 系列相比,承载能力更强,可与各类轴承座组合,应用于载荷更大的多种机械设备。
刘金飞
+86 18363533331
江苏省无锡市梁溪区解放西路 6 号 7 层 A10 室

