欢迎来到无锡众远轴承有限公司网站~
刘金飞     +86 18363533331    江苏省无锡市梁溪区解放西路 6 号 7 层 A10 室

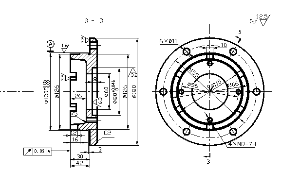
法兰轴承

G130310
It is applicable to the speed increase and deceleration transmission of AC servo motor, DC servo motor, stepping motor and hydraulic motor.......


产品介绍
  •  
  • 轴承型号
  • 型号
    G130310
  • 轴承类型
    Flange reducer bearing
It is applicable to the speed increase and deceleration transmission of AC servo motor, DC servo motor, stepping motor and hydraulic motor.
G130310 Flange reducer bearing: characterized by high precision, good rigidity, large bearing capacity, high efficiency, long service life, low noise, small size, beautiful appearance, convenient installation, accurate positioning, etc.