欢迎来到无锡众远轴承有限公司网站~
刘金飞     +86 18363533331    江苏省无锡市梁溪区解放西路 6 号 7 层 A10 室

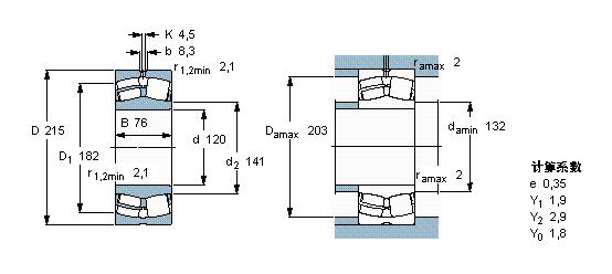
非标准自调心滚子轴承

M027496
The self-aligning roller bearing has two rows of rollers. The outer ring has one common spherical raceway, and the inner ring has two raceways, which are inclined to form an angle with respect to the bearing axis. This ingenious structure enables it ......


产品介绍
  •  
  • 轴承型号
  • 型号
    M027496
  • 轴承类型
    Non standard spherical roller bearings
The self-aligning roller bearing has two rows of rollers. The outer ring has one common spherical raceway, and the inner ring has two raceways, which are inclined to form an angle with respect to the bearing axis. This ingenious structure enables it to have automatic centering performance, so it is not vulnerable to the influence of the angle between the shaft and the bearing housing on the error or shaft bending. It is suitable for the occasion where the angle error is caused by installation error or shaft deflection. The bearing can not only bear the radial load, but also bear the axial load of two-way action. The inner holes of the self-aligning roller bearings are cylindrical and conical, and the taper of the conical hole is 1:30 and 1:12. The conical inner hole bearing is equipped with a locking sleeve or a withdrawal sleeve, so that the tapered inner hole self-aligning ball bearing can be conveniently and quickly assembled on the smooth shaft or the ladder machine shaft.
M027496 Main applications: paper making machinery, speed reducer, railway vehicle axle, rolling mill gearbox bearing seat, rolling mill roller, crusher, vibrating screen, printing machinery, woodworking machinery, various industrial reducers, vertical cen