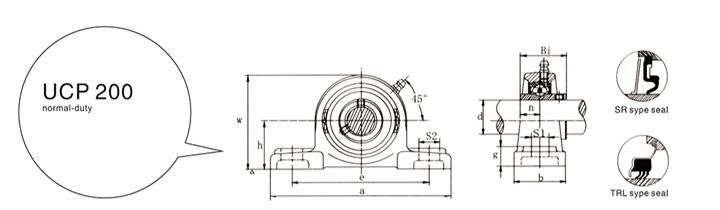
UCP 系列外球面带座轴承是轴承组件中最具代表性的结构形式。其 P 型轴承座采用平底实心设计,该系列包含UCP200与UCP300两个子系列。UCP300 系列的承载能力优于 UCP200 系列,这是因为轴承座安装部位的根部增设了加强筋,形成可全方位适配的高强度结构。
此外,P 型轴承座还可与 UK、UEL、NA 系列轴承部件组合装配。搭配 UK 系列轴承时可形成带圆锥孔的轴承单元(UKP 型),在该类轴承单元的工程型号中,会标注出适配紧定套的公称型号。
该系列轴承的主要应用领域包括:传动装置、健身器材、收割机等设备。例如,铸钢材质的 HCP207 型外球面带座轴承(对应 UELP207 型号)、实心座结构的 UCP205 型外球面带座轴承、HCP206 型外球面带座轴承(对应 UELP206 型号),以及根据客户需求定制的 FGJ205 型单外球面轴承座、FGJ 型双外球面带座轴承(一个轴承座内置两套外球面球轴承),均已成功配套应用于玉米收割机与花生收割机,投入使用后赢得了客户的广泛好评。

刘金飞
+86 18363533331
江苏省无锡市梁溪区解放西路 6 号 7 层 A10 室

