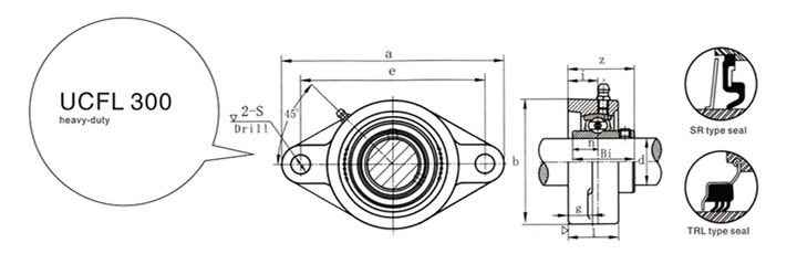
FL 型轴承座与 UC 型轴承可组合为UCFL200和UCFL300两大系列。同理,该轴承座也可与 UK、UEL(NA)、UB、SB 等系列轴承部件进行适配组装。
UCFL 系列轴承组件结构轻巧、安装便捷,适用于安装空间狭小的传动部位;同时和 UCF 系列轴承一样,也能安装在机械侧立面等垂直平面上。菱形轴承座的两个安装螺栓孔中心距,与方形轴承座对角螺栓孔的中心距一致,因此两类轴承座可实现相互通用互换。
SBLF200 系列外球面带座轴承是一款以轻量化为设计目标的菱形座轴承产品,该系列包含 SBLF201 至 SBLF207 共 7 个型号。LF 型轴承座还可与 UB(SB)、UE(SA)系列轴承进行装配组合。
上述产品主要应用于包装机械、水果分选机等各类设备中。

刘金飞
+86 18363533331
江苏省无锡市梁溪区解放西路 6 号 7 层 A10 室

